Moduł ACO CDN-U do dodatkowych urządzeń sygnalizujących dzwonienie
Cena regularna:
Cena regularna:
towar niedostępny
dodaj do przechowalni
Opis
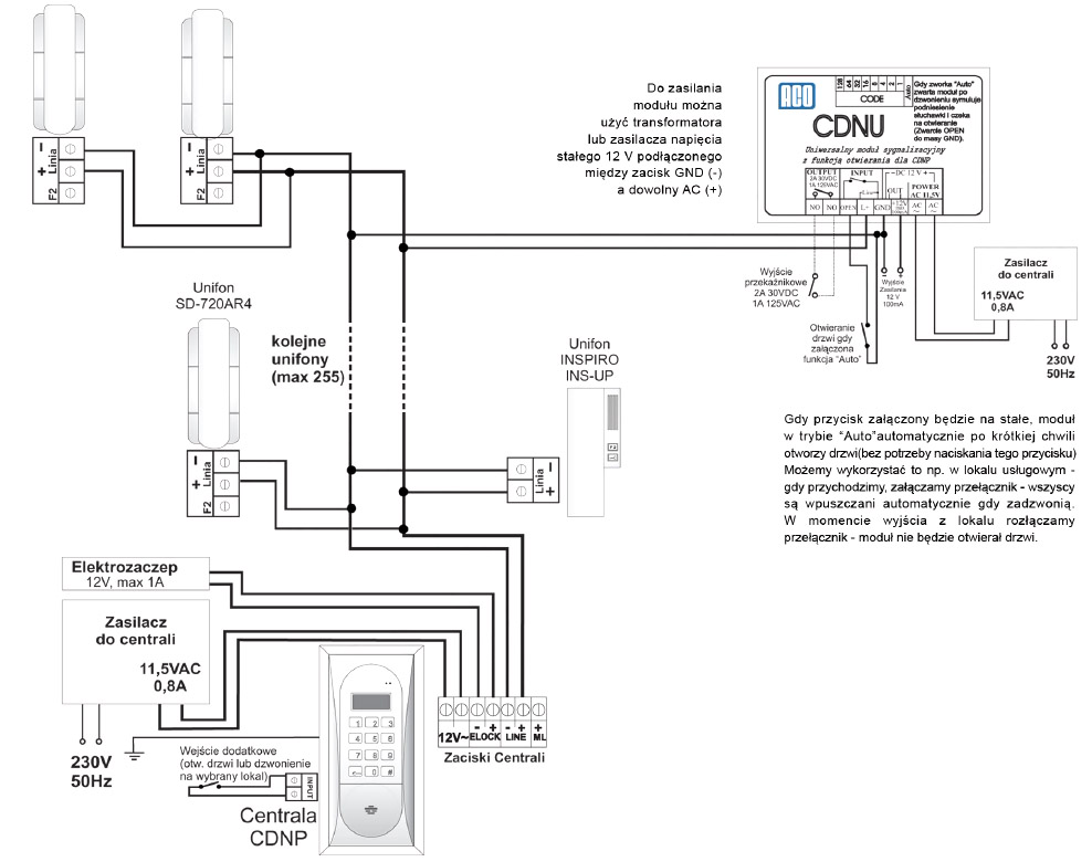
Moduł sygnalizacyjny ACO CDNU
Umożliwia podłączenie dodatkowych urządzeń sygnalizujących dzwonienie w lokalu, np. dodatkowych dzwonków czy sygnalizatorów świetlnych, stanowiących ułatwienie dla osób niesłyszących i niedosłyszących.
Moduł umożliwia również zdalne (za pomocą przycisku) lub automatyczne otwieranie drzwi, bez konieczności podnoszenia słuchawki unifonu.
Możliwa jest samodzielna praca modułu CDNU (wbudowany sygnalizator dźwiękowy) jak i równoległa z unifonem.
Do poprawnej pracy konieczne jest podłączenie zasilania z osobnego transformatora 10,5 – 12V~ lub zasilacza 12V (można wykorzystać napięcie ze złącza „EXTMOD” centrali), podłączenie linii unifonów do zacisków L+, GND i ustawienie zworkami odpowiedniego numeru lokalu.
Moduł dedykowany jest do systemów CDNP, INSPIRO, FAMILIO P/PV.
DPD, InPost, ORLENPaczka






