Miwi-Urmet 9854/58 bramka IP do systemów analogowych 4+N i COAX
Cena regularna:
Cena regularna:
towar niedostępny
dodaj do przechowalni
Opis
Bramka IP 9854/58 Miwi-Urmet do systemów analogowych 4+N / COAX
Mała rewolucja w komunikacji!
Bramka IP model 9854/58 umożliwia przekierowanie połączeń z analogowych systemów domofonowych i wideodomofonowych Urmet na smartfon lub tablet z systemem Android lub iOS.
Bramka współpracuje z systemami analogowymi 4+n i COAX firmy Miwi-Urmet.
Można ją zastosować do nowych i istniejących jednorodzinnych i wielorodzinnych systemów domofonowych a także do skrzynek na listy z domofonem produkowanych przez Bomap, do których zastosowano wzmacniacz 18A1 i słuchawki 6-przewodowe.
Jeśli chcesz odbierać połączenia domofonowe na telefonie ale:
- masz już zamontowany analogowy zestaw domofonowy Urmet i nie chcesz go wymieniać
- odpowiada ci pewność działania systemów analogowych, ale oczekujesz dodatkowych funkcji
- mieszkasz w bloku i wspólnota nie planuje wymiany analogowego systemu domofonowego (słuchawki 6-przewodowe)
bramka IP 9854/58 to rozwiązanie dla ciebie!
Przed zakupem upewnij się, że bramka będzie współpracować z istniejącym systemem domofonowym. W razie wątpliwości zadzwoń do nas.
W zestawie z bramką znajduje się niezbędny zasilacz.
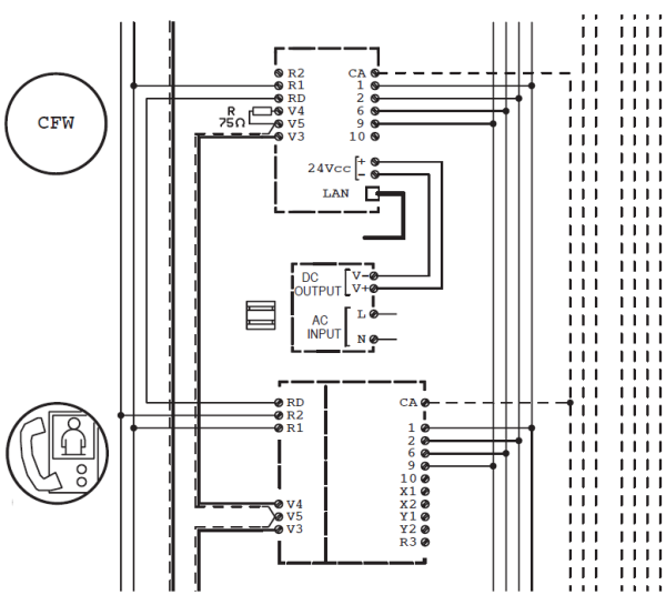
ZASADA DZIAŁANIA BRAMKI IP
Bramka podłączana jest indywidualnie u lokatora - każde mieszkanie, które chce korzystać z przekierowania na telefon musi mieć odrębną bramkę IP
Można ją także zastosować jako jedyny odbiornik domofonowy w mieszkaniu (zamiast unifonu lub monitora).
Konfiguracja bramki IP odbywa się za pomocą bezpłatnej aplikacji na Smartphone/Tablet CallMe.
Podłączenie do domowego internetu może odbyć się bezprzewodowo z siecią WiFi lub za pomocą przewodu LAN poprzez wbudowane złącze RJ45;
Gdy odwiedzający naciśnie przycisk dzwonka na panelu zewnętrznym (wideo)domofonu, połączenie audio lub audiowideo zostanie przekierowane na urządzenie mobilne. Bramka pozwala na przekierowanie tego samego wywołania na maksymalnie 4 telefony.
Podczas rozmowy można otworzyć elektrozaczep. Uwaga: nie jest możliwe sterowanie dodatkową bamą
Bezpłatna aplikacja CallMe dostępna jest na telefony z systemem Android oraz iOS.
FUNKCJE BRAMKI IP:
- przeznaczona do analogowych systemów domofonowych i wideodomofonowych 4+n i COAX firmy Miwi-Urmet
- podłączenie bramki do internetu: WiFi lub przewodowe
- zasilanie lokalne z zasilacza 24V (w zestawie)
- konfiguracja bramki z poziomu aplikacji CallMe
- przekierowanie rozmowy nawet do czterech użytkowników aplikacji zalogowanych na to samo konto
- możliwość wyłączenia przekierowania w określonych z góry interwałach czasowych
- możliwość połączenia interkomowego pomiędzy zalogowanymi użytkownikami aplikacji
- na jedno konto w aplikacji można zaprogramować klika połączeń z różnych obiektów (domów, firm, mieszkań)
DANE TECHNICZNE
Zasilanie linii danych: 48 V
Zewnętrzne zasilanie (1083/24 w zestawie): 24 V
Maksymalny pobór prądu: 200 mA
Maksymalny pobór mocy: 6 W
Temperatura pracy: -5 ÷ +45° C
Maksymalna wilgotność: 95% RH
Złącze LAN RJ45: 10/100 Mbps
Wi-Fi: 2.4GHz (IEEE 802.11 b/g/n) z wbudowana wewnętrzną anteną
Wymiary (Dł. x Gł. x Wys.): 140 (~8 DIN) x 90 x 60 mm.
ZASILACZ 1083/24 W ZESTAWIE
Napięcie zasilania: 100-240 Vac 50/60 Hz
Moc wyjściowa: max. 12 W
Parametry wyjściowe: 24 V 0,42 A
Wymiary: 36 x 98 x 60 mm (2 moduły DIN)
DPD, InPost, ORLENPaczka






