ZESTAW: skrzynka na listy VERONA NISKA z domofonem MIWI URMET - unifon Signo 1140/1
Cena regularna:
Cena regularna:
towar niedostępny
dodaj do przechowalni
Opis
ZESTAW: przelotowa skrzynka na listy VERONA NISKA z kompletnym domofonem analogowym Miwi-Urmet
W skład zestawu wchodzą:
- 1x - przelotowa skrzynka na listy VERONA NISKA dla jednego użytkownika
- 1x - analogowy wzmacniacz domofonowy Miwi-Urmet 18A2
- 1x - analogowy unifon słuchawkowy Miwi-Urmet Signo 1140/1 z możliwością otwierania furtki i bramy

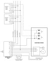
Niezbędne okablowanie
Analogowa instalacja domofonowa do powyższego zestawu wymaga okablowania 8-żyłowego (jeśli domofon ma sterować tylko otwieraniem furtki) lub 10-żyłowego (jeśli z domofonu ma być otwierana furtka oraz dodatkowa brama).
Opcje rozbudowy
Do zestawu można dokupić elektrozaczep, który będzie służył do otwierania furtki, oraz akcesoria do jego montażu. Elektrozaczep nie wymaga dodatkowego zasilania. [zobacz elektrozaczepy]
Zestaw można rozbudować o kolejne unifony (model 1140/1 lub inne analogowe 6-przewodowe). Unifony będą dzwoniły jednocześnie po naciśnięciu przycisku wywołania na skrzynce. [zobacz wszystkie unifony]
SKRZYNKA W ZESTAWIE
Skrzynka przelotowa VERONA NISKA z jednym wrzutem i jednym przyciskiem domofonu - dla jednego użytkownika.
Przeznaczona jest do wmurowania - do montażu w słupku ogrodzenia lub w murze. Ma regulowaną głębokość.
Mieści korespondencję A4.
Skrzynkę VERONA NISKA zaprojektowaliśmy tak, aby stanowiła część systemu domofonowego.
W panelu frontowym wbudowany jest jeden przycisk dzwonienia oraz analogowy moduł domofonu z mikrofonem i głośnikiem, które razem zastępują tradycyjny panel wywoławczy (panel zewnętrzny) domofonu.
Produkt polski, produkowany przez Bomap Spółkę z o.o.
Skrzynka spełnia normy europejskie.
Wymiary skrzynki:
- panel przedni: 290 x 150 mm
- panel tylny: 290 x 150 mm
- otwór wrzutowy: 230 x 30 mm
- szerokość szuflady: 270 mm
- regulowana głębokość szuflady: 190-240, 190-270, 280-410 lub 360-600 mm
Użyte materiały:
Dzięki zastosowaniu materiałów najwyższej jakości skrzynka jest odporna na działanie czynników atmosferycznych:
Materiały użyte w wykończeniu "stal nierdzewna":
- panel przedni i panel tylny – szlifowana stal nierdzewna grubości 2 mm
- klapka – szlifowana stal nierdzewna grubości 0,8 mm
Materiały użyte w wykończeniu "lakierowana proszkowo":
- panel przedni i panel tylny – stal nierdzewna grubości 2 mm lakierowana proszkowo
- klapka – aluminium lakierowane proszkowo
Pojemnik do wmurowania
Dwuczęściowa rozsuwana teleskopowa szuflada pozwala na dopasowanie skrzynki do ścian i murków o różnej grubości.
Typ pojemnika do wmurowania zależy od wybranej grubości muru:
- grubość muru 28-60 cm - szuflada ma niewielki skos
- grubość muru 19-27 cm - szuflada ma bardzo duży skos, który zapewni wystarczająco dużo miejsca na korespondencję A4 pomimo małej głębokości.
Szuflada wykonana jest z ocynkowanej blachy lakierowanej proszkowo (wersja standard) lub ze stali nierdzewnej (wersja premium).
Cechy charakterystyczne skrzynki VERONA NISKA
Skrzynka ma budowę panelową, składają się na nią: panel przedni, panel tylny i teleskopowa szuflada (pojemnik do wmurowania).
Panel przedni ma otwór wrzutowy na listy osłonięty klapką. Otwór ma zagięcie uniemożliwiające wyjęcie korespondencji przez osoby niepowołane.
Panel tylny ma zamykane na klucz drzwiczki do wyjmowania korespondencji. W zestawie są dwa klucze. Przezroczyste okienko z PCV na drzwiczkach umożliwia sprawdzenie, czy w skrzynce znajdują się listy.
Zamek umieszczony jest po lewej stronie drzwiczek – drzwiczki otwierają się na prawo. Na zamówienie drzwiczki mogą otwierać się w drugą stronę (zamek po prawej stronie).
Skrzynka na listy VERONA to produkt polski, produkowany przez Bomap Spółkę z o.o. Skrzynka spełnia normy europejskie.
Opcje kolorów skrzynki
Skrzynkę możesz zamówić z frontem i tyłem wykonanym ze szlifowanej stali nierdzewnej lub ze stali lakierowanej proszkowo na wybrany kolor.
Paleta kolorów standardowych:
- DB703 antracyt diament (z diamentowym wykończeniem, drobna struktura, matowy)
- RAL 7016 antracyt (drobna struktura, matowy)
- RAL 7024 grafit (drobna struktura, matowy)
- RAL 9005 czarny (drobna struktura, matowy)
- RAL 9016 biały (gładki)
- RAL 1036 złoty perłowy (gładki)
- RAL 6005 zielony mech (gładki)
- RAL 8017 brązowy czekoladowy (drobna struktura)

Możemy także pomalować skrzynkę na inny kolor z palety RAL, aby lepiej dopasować ją do koloru Twojego ogrodzenia. Opcja ta dostępna jest za dopłatą. Wybierz opcję "inny kolor palety RAL", a następnie podaj wybrany numer RAL podczas finalizacji zamówienia. Informacje o kolorze skrzynki możesz także wysłać emailem.
Nietypowy kolor może wpłynąć na termin realizacji zamówienia.
Możliwe modyfikacje:
- okienko na nazwisko na panelu frontowym (bez dopłaty) - jeśli nie zostało to ustalone, skrzynki wysyłane są losowo z okienkiem lub bez okienka
- drzwiczki otwierane na lewo - zamek po prawej stronie (bez dopłaty)
DOMOFON MIWI-URMET
UNIFON SIGNO 1140/1
Signo 1140/1 to nowoczesny analogowy unifon firmy Urmet. Ma białą błyszczącą obudowę. Charakteryzuje go wyjątkowo stylowe, eleganckie wzornictwo.
Unifon ma duży, wygodny w obsłudze przycisk do otwierania furtki oraz 1 dodatkowy aktywny przycisk do realizacji dowolnej funkcji (np. otwierania dodatkowej bramy)
Do unifonu Signo można dokupić kolejne dwa przyciski, jak również moduł 3-stopniowej regulacji głośności dzwonienia z opcją wyłączenia.
Wymiary: 80 x 225 x 40 mm
WZMACNIACZ DOMOFONOWY Z ZASILACZEM
Wzmacniacz 18A2 to połączenie elektroniki domofonowej i zasilacza. Jest przystosowany do montażu na szynę DIN (zajmuje 6 modułów DIN), ale ma także ramkę, która zakrywa zaciski przewodów i pozwala na bezpieczny montaż zasilacza na ścianie.
Wymiary: 106 x 90 x 66 mm (bez osłony), 110 x 130 x 66 mm (z osłoną).
******
Specjalizujemy się w skrzynkach wykonywanych na zamówienie.
Możemy dopasować do indywidualnych potrzeb klienta ilość wrzutów, wymiary, sposób montażu i kolor skrzynki. Produkujemy także skrzynki na listy z dodatkowymi opcjami i integracjami (domofonem, wideodomofonem, szyfratorem i innymi urządzeniami). Wykonamy skrzynkę na listy według Twojego pomysłu.
Zapraszamy do naszej siedziby w Opolu oraz do kontaktu telefonicznego (tel. 774513144, 774513140) lub przez pocztę elektroniczną: sklep@bomap.pl. Chętnie odpowiemy na wszystkie pytania i doradzimy jaką skrzynkę, domofon lub wideodomofon wybrać.
DPD, InPost, ORLENPaczka






