Elfon B2 Dual zestaw domofonowy dwurodzinny 2-żyłowy
Cena regularna:
Cena regularna:
towar niedostępny
dodaj do przechowalni
Opis
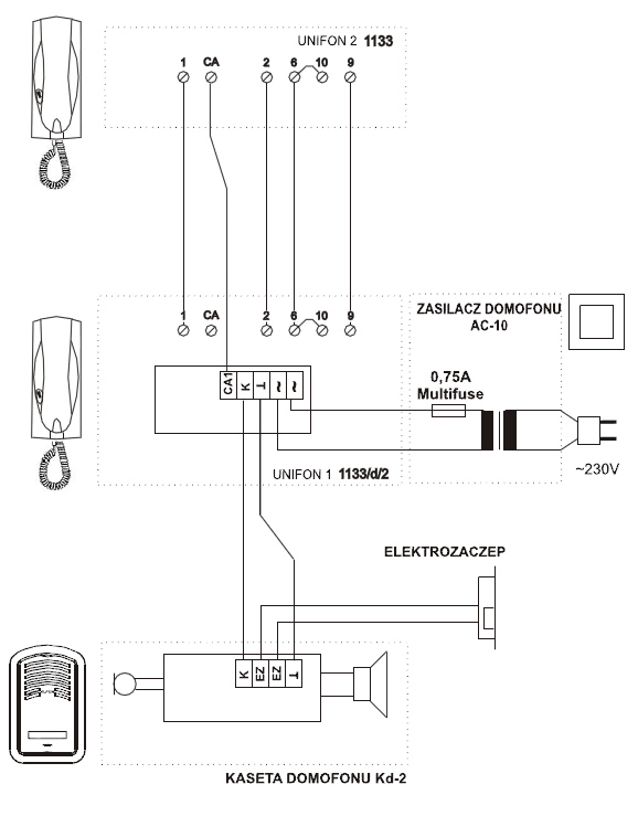
Zestaw domofonowy Elfon Z2 Dual dwużyłowy
Przeznaczony do domu dwurodzinnego - dla 2 użytkowników.
Wyjątkowo prosty w montażu - do podłączenia zestawu wymagane są zaledwie 2 przewody na zewnątrz budynku, dzięki czemu możliwe jest wykorzystanie np. istniejącej instalacji dzwonkowej.
Połączenie między pierwszym a drugim unifonem wymaga 6 żył + 2 żyły do podłączenia zasilacza do pierwszego unifonu (zob. schemat).
W skład zestawu wchodzą:
- 2-przyciskowy panel zewnętrzny KD-2 DUAL do montażu wtynkowego lub natynkowego
- 2x unifon Miro 1150/d/1 biały
- zasilacz AC-10
Panel zewnętrzny ma front z utwardzanego aluminium umieszczony w tworzywowej obudowie z daszkiem.
Może być montowany natynkowo lub podtynkowo.
2 duże przyciski z polami na wizytówki są podświetlane.
Wymiary panela: 88 (+12,5) x 152 (+12,5) mm
Unifony Miro 1150/d/1 w zestawie dostępne są w białej, błyszczącej obudowie.
Mają duży, wygodny w obsłudze przycisk otwierania drzwi.
Wymiary unifonu: 89 x 211 x 50 mm
DPD, InPost, ORLENPaczka






